등록된 상품이 없습니다.
TC-NSRSP (T) ☐☐N-G3
sputtering gauge 채용으로 고응답 · 고 안정성을 실현했습니다.
이전 모델 TC-NSRSP : 기본 사양은 기존 제품 그대로 TEDS 기능의 추가와 친환경 (RoHS)을 준수했습니다.
| 단위 | 정격 용량 | ||||||||||||
|---|---|---|---|---|---|---|---|---|---|---|---|---|---|
| N | 0.5 | 1 | 1.5 | 2 | 3 | 5 | 10 | 20 | 50 | 100 | 200 | 500 | |
| kN | 1 | 2 | 3 | 5 | 10 | 20 | 30 | 50 | 100 | 200 | 300 | 500 | 1000 |
| 정격 용량 | 고유 진동수 | 질량 (약) |
|---|---|---|
| 50N | 41.8kHz | 17g |
| 100N | 60.9kHz | 17g |
| 200N | 83.3kHz | 17g |
| 500N | 116.9kHz | 17g |
| 형식 | TC-NSRSP (T) ☐☐N-G3 |
|---|---|
| 허용 과부하 | 150 % RC |
| 정격 출력 | 1.3mV / V ± 30 % |
| 선형성 | 0.2 % RO |
| 히스테리시스 | 0.2 % RO |
| 반복성 | 0.2 % RO |
| 제로 균형 | ± 0.3mV / V |
| 허용인가 전압 | 5V |
| 입력 단자 간 저항 | 1150Ω ± 30 % |
| 출력 단자 간 저항 | 1150Ω ± 30 % |
| 절연 저항 | 1000MΩ 이상 (50V인가) |
| 보상 온도 범위 | 0 ~ 60 ℃ |
| 허용 온도 범위 | -20 ~ 70 ℃ |
| 영점 온도 영향 | 0.3 % RO / 10 ℃ |
| 출력의 온도 영향 | 0.3 % RC / 10 ℃ |
| 케이블 | φ3,6 심 실드 로봇 케이블, 3m 직결 끝단 낱가닥 |
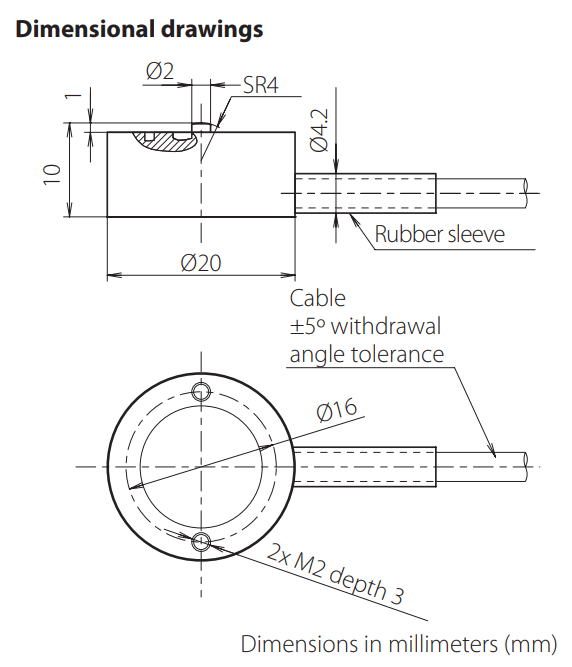
| 고정 방법 | 나사 구멍 |
| 로드셀의 고정 | 하단의 2-M2 탭을 나사로 고정 |
| 본체 재질 | 스테인레스 |
| TEDS 대응 | 본체 내장 |
| 환경 대응 | RoHS (10 물질) |
고정방법

사용후기가 없습니다.
상품문의가 없습니다.
- AS 및 상품문의 안내는 하단 판매자 정보의 연락처 및 이메일로 문의하시기 바랍니다.
회사명 (주)카스코리아
주소 경기도 성남시 중원구 갈마치로 302 성남우림라이온스밸리 5차 B동 1208호
사업자 등록번호 527-88-01201
대표 이기하
전화 031-750-0780-3
팩스 031-750-0784
통신판매업신고번호 제2019-경기중원-0042호
Copyright © (주)카스코리아. All Rights Reserved.