등록된 상품이 없습니다.
TC-XR (T) ☐☐KN-G6 Press Loadcell
구조가 매우 간단하므로, 취급, 유지 보수가 용이합니다.
볼트의 장력, 프레스 성형 기기 등에 널리 응용할 수 있습니다.
이전 모델 TC-XR : 기본 사양은 기존 제품 그대로 TEDS 기능의 추가와 친환경 (RoHS)을 준수했습니다.
| 단위 | 정격 용량 | ||||||||||||
|---|---|---|---|---|---|---|---|---|---|---|---|---|---|
| N | 0.5 | 1 | 1.5 | 2 | 3 | 5 | 10 | 20 | 50 | 100 | 200 | 500 | |
| kN | 1 | 2 | 3 | 5 | 10 | 20 | 30 | 50 | 100 | 200 | 300 | 500 | 1000 |
| 정격 용량 | 고유 진동수 | 질량 (약) |
|---|---|---|
| 20kN | 7kHz | 0.8kg |
| 50kN | 11kHz | 0.8kg |
| 100kN | 13kHz | 0.9kg |
| 200kN | 11kHz | 2.0kg |
| 300kN | 9kHz | 4.0kg |
| 형식 | TC-XR (T) ☐☐KN-G6 |
|---|---|
| 허용 과부하 | 120 % RC |
| 정격 출력 | 1mV / V ± 1 % |
| 선형성 | 0.5 % RO |
| 히스테리시스 | 0.5 % RO |
| 반복성 | 0.1 % RO |
| 허용인가 전압 | 15V |
| 입력 단자 간 저항 | 700Ω ± 7Ω |
| 출력 단자 간 저항 | 700Ω ± 7Ω |
| 절연 저항 | 2000MΩ 이상 (DC50V) |
| 보상 온도 범위 | 0 ℃ ~ 60 ℃ |
| 허용 온도 범위 | -10 ℃ ~ 80 ℃ |
| 영점 온도 영향 | 0.5 % RO / 10 ℃ |
| 출력의 온도 영향 | 0.5 % RC / 10 ℃ |
| 케이블 | φ6,6 심 실드 로봇 Cable, 3m 끝단 낱가닥 |
| 고정 방법 | 나사 구멍 |
| 본체 재질 | 니켈 크롬 몰리브덴 강 |
| TEDS 대응 | 본체 내장 |
| 환경 대응 | RoHS (10 물질) |


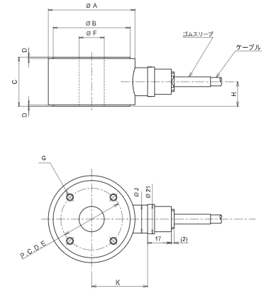
※ 지그 장착 치수 및 공차는 외관 사양 그림에서 다운로드 할 수 있습니다.
| 정격 용량 | φA | φB | C | D | φE | φF | G | H | φJ | K | |
|---|---|---|---|---|---|---|---|---|---|---|---|
| 20kN | 2.04tf | 62 | 56 | 35 | 1 | 44 | 18 | 2 × 4-M5 깊이 7 | 17.5 | 20 | 40 |
| 50kN | 5.1tf | 62 | 56 | 35 | 1 | 44 | 18 | 2 × 4-M5 깊이 7 | 17.5 | 20 | 40 |
| 100kN | 10.2tf | 62 | 56 | 40 | 1 | 44 | 18 | 2 × 4-M5 깊이 7 | 20 | 20 | 40 |
| 200kN | 20.4tf | 86 | 78 | 50 | 2 | 60 | 20 | 2 × 4-M8 깊이 10 | 25 | 26 | 52 |
| 300kN | 30.6tf | 100 | 90 | 70 | 2 | 70 | 20 | 2 × 4-M8 깊이 12 | 35 | 26 | 59 |
사용후기가 없습니다.
상품문의가 없습니다.
- AS 및 상품문의 안내는 하단 판매자 정보의 연락처 및 이메일로 문의하시기 바랍니다.
회사명 (주)카스코리아
주소 경기도 성남시 중원구 갈마치로 302 성남우림라이온스밸리 5차 B동 1208호
사업자 등록번호 527-88-01201
대표 이기하
전화 031-750-0780-3
팩스 031-750-0784
통신판매업신고번호 제2019-경기중원-0042호
Copyright © (주)카스코리아. All Rights Reserved.